Profil aluminiowy 40A

76,25 zł
Brutto

/ 61.99 netto

Dostępność: W magazynie

Istnieje możliwość zamówienia profili o długości większej niż 2 metry.
Zainteresowanych prosimy o kontakt.

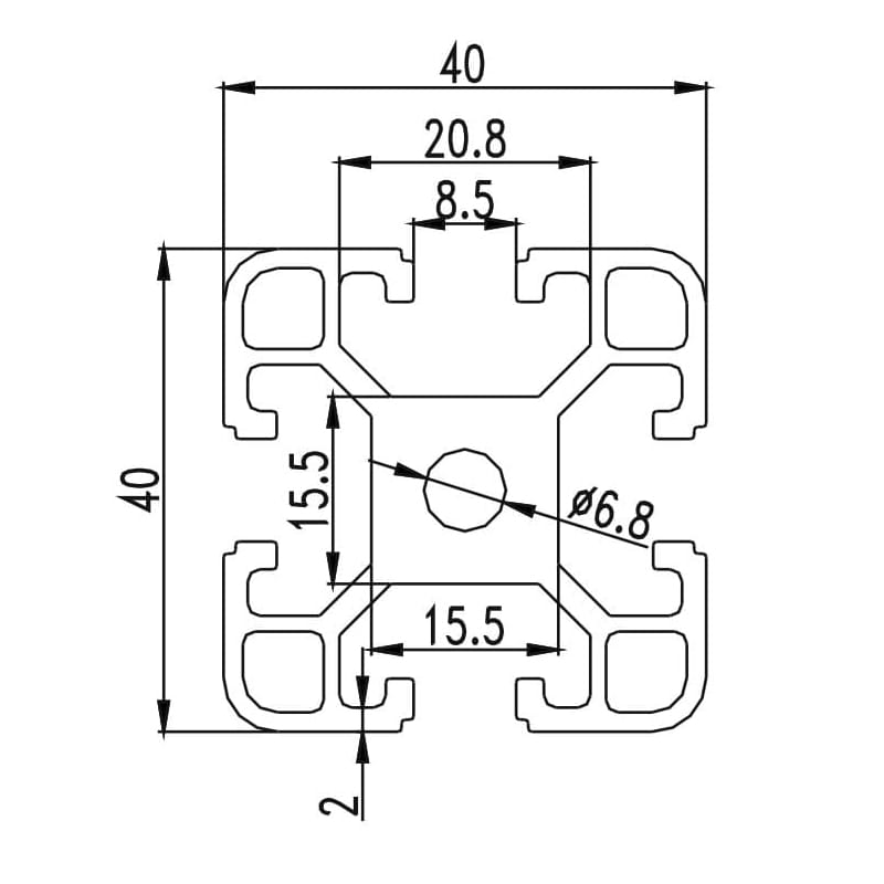
Wymiar:
Dane techniczne
Indeks
MR-8-4040A
Materiał
Aluminum 6063-T5
Kolor
Srebrny
Certyfikat
ISO 9001
Stan utwardzenia
T5
Ochrona powierzchniowa
Anodowana - srebrna
Wymiar
40mm x 40mm
Długość
50-6000mm/szt.
Waga
1.76kg/mb
Szerokość otworu
8

Jesteś zainteresowany zakupem większej ilości?

Zapytaj o indywidualną wycene!

Opis

Przemysłowy profil aluminiowy ma zastosowanie do konstrukcji ramowej, na roncie jest przejście z anodowym wykończeniem powierzchni utleniającej, eleganckie, piękne i odporne na korozję, zwykle łączone od wewnątrz specjalnym łącznikiem śrubowym i sprężynowym.

Opinie (0)
Loading...